ROHM罗姆BD7411G对应5.0V电源电压全极检测霍尔集成电路
BD7411G南北检测霍尔IC,无论是S极还是N极,只要检测出磁场,输出便为ON(低有效)。因为用于双极检测的磁铁不限定为S极,N极,所以可以省略标注等的管理。
BD7411G特性:
传感器类型全极检测霍尔集成电路
Vcc(最小)[V] 4.5
Vcc(最大)[V] 5.5
S极操作点[mT] 3.4
N极操作点[mT] -3.4
磁滞[mT] 0.4
平均电源电流2毫安
输出类型CMOS
工作温度(最低)[°C] -40
工作温度(最高)[°C] 85
BD7411G特点:
・双极检测
・常时驱动
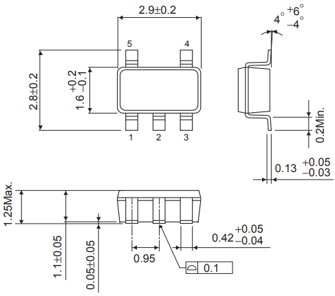
・小型表面安装封装SSOP5
・对应5.0V电源电压
・静电耐压8kV(HBM)
BD7411G应用领域
手机,笔记本电脑,数码摄像机,数码相机,白色家电等









